Пля, Олег, чеж ты такой уппертый то!
http://chemistry-chemists.com/N3_2015/C ... -P5-5.html
Самое простое, вульгарное и банальное, первое что попалось под руку. Ты хочешь чтоб я лично тебе показал как собирается и взрывается гремучий газ?!
Еще как он идет! и точка. Другое дело что электролиз в технике используется для чего-то. В частности когда нужно выделить газы, а чтоб эти газы сегрегировать необходимо разделить ионы на постоянном токе, иначе ничего не соберешь. В нашем же случае, электролиз идет! но фазировка меняется с частотой 50 герц. Че ты уперся то? при протекании тока нравится тебе или нет, а вода будет расщепляться. И газы эти куда-то удалять надо. Это не тот процесс где в промышленных масштабах у тебя выходят кубы водорода 

 Но за длительный период эксплуатации он накопится.
onozdrachoff писал(а): и там простое мгновенное равновесие ионов водорода и кислорода на каждом электроде.
 
Чего??? ты сам то понял что написал?  Как только при внешнем приложении энергии = воздействие электрического тока происходит расщипление молекулы на атомарные составляющие - все, газ пошел выделяться.
onozdrachoff писал(а): Волу ты можешь подкислить той же аккумуляторной или любой слабой кислотой, что и делается, 
 
Где ты такое видел чтоб это делалось! еще и кислотой, чето ты совсем похоже спать хочешь...
Ток идет только при наличии ионов в воде, коими являются любые растворимые соли. Самое безопасное и доступное в промышленных масштабах это соли кальция. Потому их и используют. Можно соли натрия, та же поваренная соль, основной вклад которой вносится в минерализацию природной воды, Ты взял любую воду из скважины, колодца, водоема - там есть хлорид натрия. Все, помимо всего прочего хлор ты уже получишь. Он конечно не бесконечный, рано или поздно диссоциирует и кончится. И не так его много выделится.
onozdrachoff писал(а): Бак у тебя негерметичен и стоит выше радиаторов и ничего там копиться не будет
 
Хотел это вынести следующим пунктом на обозрение, но придется сейчас, потому сумбурно получится.
Бак у меня как минимум перекрыт дыхательными клапанами. Ты давеча сказал что видел как человек вынес себе моск борясь с коррозией. А все проще. Ты залил обычную исходную воду в бак. У нее нормальное такое насыщение кислородом и углекислотой (равновесное по парциальному давлению кислорода в воздухе по уравнению Генри-Дальтона) , без которых коррозия железа идти не может! А деаэрировать воду ты не можешь. Тебе это сделать попросту нечем. Прошло какое-то время, эти растворенные газы прореагировали, и процесс останавливается. Коррозия прекращается.  Но только в том случае если ты не будешь пускать этот газ из воздуха. Для этого делается:
1. герметичная емкость, которая в этом случае превращается в емкость под давлением в результате расширения воды.
2. Атмосферная емкость с дыхательными клапанами. Это клапаны, которые исключают свободную вентиляцию внутреннего объема бака. 
3. Можно еще всякой херней заняться типа резиновых шариков и тому подобное 

И вот в любом из этих случаев газ у тебя скапливается. 
Дальше спорить с тобой не буду. Свою точку зрения я сказал, опыт эксплуатации имеется, конструктив знаю. Читать рекламу этой херни больше не хочу, потому как знаю про это гораздо глубже чем пишут продаваны. Этой хреню называемые электродные котлы мне приходилось  заниматься. Соли кальция  там расходным материал, без которого нагрев не идет. Они расходуются. Их постоянно ежедневно вносят в воду. Причем минерализацию воды еще надо и контролировать. Ты можешь это сделать? я то могу, а ты?
Поэтому за мнимым отсутствием расходников (да, электроды еще и менять придется периодически) и кажущейся простотой скрывается куча головной боли и геморроя, который повылазит у тебя в других местах 

Именно поэтому я для себя выбор сделал. Хочешь экспериментировать - пожалста 

 я - пас 

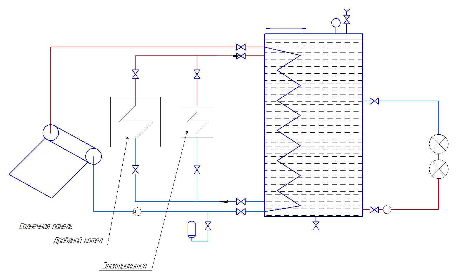
В любом случае электрокотел будет вынесен в виде отдельного устройства. Подключенного к ТА через отключающую арматуру.
Не может быть чтоб лапти воду пропускали! Потому что нулевой баланс на счету стимулирует работу инженера.